Glass Folding DoorFOLZEN KOREA
Glass Folding Door
It is a foldable door made of tempered glass, and unlike general folding doors, it is a frameless door that does not have a vertical bar on the door. It is an interior item that is greatly loved in commercial, office, and residential spaces with a cool sense of openness and eye-catching design.
Product Details
| Model | Indoor / Outdoor | Frame material | Aluminum profile |
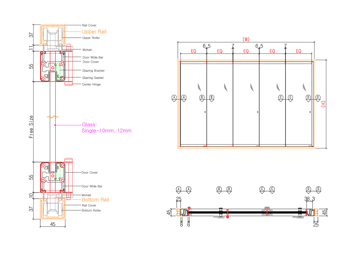
| Frame size | Upper,Lower 45mm x 37mm / Side 45mm x 25mm | Door | Floor hinged reinforced door |
| Glass type | 10~12T tempered glass | Glass color | Transparent (option: green, blue, brown) |
| Installation Restrictions | Max. width 400mm~650mm / Max. height 1000mm~3000mm | Coating | Fluororesin coating |
-
Upper/lower rails
The frame is the most suitable for safe and complete operation of the glass folding door. Effectively distributes the force to the upper and lower parts to ensure smooth operation of the door
-
H-BAR
The tempered glass is completely fixed at the top and bottom, showing a stable and unshakable driving feeling
-
Stainless Steel Bearings
Stainless steel bearings are applied to the bottom of the frame to provide a smooth and steady stability. Due to the nature of the stainless steel material, it can be used semi-permanently
-
Tempered glass
Glass that has been heat-treated to harden the sheet glass to withstand shocks or sudden changes in temperature. Tempered glass is used for its size, which is more resistant to impact than ordinary glass, and is durable
-
Tempered glass handle
It goes well with the basic design of the handle and the design of the simple folding glass, and has excellent grip and convenience
-
Locking devices
A button-type lock that can be conveniently used using feet without the need for hands. Press the bottom button to open the door, and lower the bottom lever next to the button to lock the door
-
Mohair
High-quality mohair is attached to the top and bottom of the H-BAR to block small dust and insects from the air to maintain a more comfortable environment
Design Drawing











